Datsun CA18det
Moderators: P3g4sus, Daniel, rat, Draco, Riekert
-
Makes
- Newbie
- Posts: 5
- Joined: Wed Jan 01, 2014 8:18 am
- Car: Other
- Real Name: Marco
- Location: Cape Town
Datsun CA18det
Hey guys.
My name is Marco and I own a Datsun 510. I will post pics in the project section of my ride and the work I plan on doing to it.
I will hopefully go and fetch my CA18DET motor and box that i`m planning on fitting into my dato if everything goes well.
I have found probably the only write up project on a RHD Datsun 510 and looks pretty straightforward.
community.ratsun.net/topic/56765-cause-6-dat-projects-werent-enough-510-2-door-ca18det-rhd
Questions that I have that they don’t cover is management. I was told that I could go with the Dicktator Wasted spark version but I would need some kind of disk made up and welded? In order to make it work?
I need to get an option for management and I know quality comes with a price but not looking for something major.
Just want to get the project off the ground and get the car driving.
Any advice and ideas guys? I will ask questions as I go along.
Thanks
My name is Marco and I own a Datsun 510. I will post pics in the project section of my ride and the work I plan on doing to it.
I will hopefully go and fetch my CA18DET motor and box that i`m planning on fitting into my dato if everything goes well.
I have found probably the only write up project on a RHD Datsun 510 and looks pretty straightforward.
community.ratsun.net/topic/56765-cause-6-dat-projects-werent-enough-510-2-door-ca18det-rhd
Questions that I have that they don’t cover is management. I was told that I could go with the Dicktator Wasted spark version but I would need some kind of disk made up and welded? In order to make it work?
I need to get an option for management and I know quality comes with a price but not looking for something major.
Just want to get the project off the ground and get the car driving.
Any advice and ideas guys? I will ask questions as I go along.
Thanks
-
SonOfAnarchy ZA
- Administrator
- Posts: 2512
- Joined: Wed Aug 17, 2011 9:10 pm
- Car: S13
- Real Name: Jason
- Location: JHB
Re: Datsun CA18det
hey welcome. id suggest spitronics as there is no changes required for the motor to run where as dicktator will need a different disk put inside the CAS(crank angle sensor) its not a big deal but it is something extra. i had wasted spark on my CA and it ran great but ive recently moved to spitronics as the offer a few features that dicktator does not. they both retail for more or less the same price.
"I'd rather lose by a mile because I built my own car, than win by an inch because someone else built it for me"
-
Makes
- Newbie
- Posts: 5
- Joined: Wed Jan 01, 2014 8:18 am
- Car: Other
- Real Name: Marco
- Location: Cape Town
Re: Datsun CA18det
thanks..will look into it. which version of the spitronics? and i know a management system is only as good as the tuner so who in cape town knows spitronics?
-
SonOfAnarchy ZA
- Administrator
- Posts: 2512
- Joined: Wed Aug 17, 2011 9:10 pm
- Car: S13
- Real Name: Jason
- Location: JHB
Re: Datsun CA18det
im using the venus advanced v2.5
"I'd rather lose by a mile because I built my own car, than win by an inch because someone else built it for me"
-
Makes
- Newbie
- Posts: 5
- Joined: Wed Jan 01, 2014 8:18 am
- Car: Other
- Real Name: Marco
- Location: Cape Town
Re: Datsun CA18det
how big of a deal is is to fit a crank angle sensor? Please point me in the right direction if a post like that exists here. Thanks
-
SonOfAnarchy ZA
- Administrator
- Posts: 2512
- Joined: Wed Aug 17, 2011 9:10 pm
- Car: S13
- Real Name: Jason
- Location: JHB
Re: Datsun CA18det
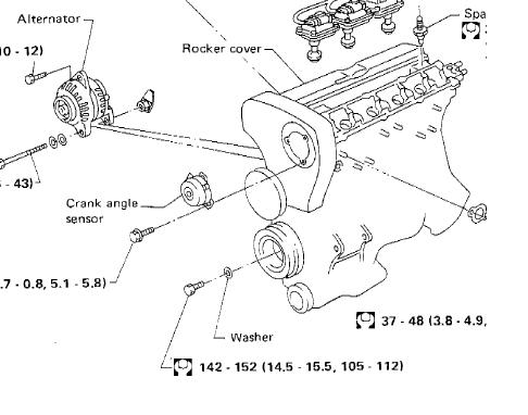
your ca will have the crank angle sensor already. but to change the disk inside is not so easy and i personally dont like opening them
- Attachments
-
- ca18.jpg (16.27 KiB) Viewed 7126 times
"I'd rather lose by a mile because I built my own car, than win by an inch because someone else built it for me"
- fuzz123
- 0.3 Bar Boost
- Posts: 337
- Joined: Fri Sep 07, 2012 9:34 am
- Car: S14
- Engine: SR
- Real Name: Jacobus
- Location: Joburg - Roodepoort
Re: Datsun CA18det
J, is that not the Cam angle sensor?SonOfAnarchy ZA wrote:your ca will have the crank angle sensor already. but to change the disk inside is not so easy and i personally dont like opening them
-
SonOfAnarchy ZA
- Administrator
- Posts: 2512
- Joined: Wed Aug 17, 2011 9:10 pm
- Car: S13
- Real Name: Jason
- Location: JHB
Re: Datsun CA18det
"I'd rather lose by a mile because I built my own car, than win by an inch because someone else built it for me"
- fuzz123
- 0.3 Bar Boost
- Posts: 337
- Joined: Fri Sep 07, 2012 9:34 am
- Car: S14
- Engine: SR
- Real Name: Jacobus
- Location: Joburg - Roodepoort
Re: Datsun CA18det
SonOfAnarchy ZA wrote:yes but I think it goes by the name crank angle sensor even though its situated on the cam. i could be mistaken
S14 service manual calls it camshaft position sensor, check no 3 on the pic.

Maybe the CA18's are so old they did not realize that the crank is at the bottom....
-
SonOfAnarchy ZA
- Administrator
- Posts: 2512
- Joined: Wed Aug 17, 2011 9:10 pm
- Car: S13
- Real Name: Jason
- Location: JHB
Re: Datsun CA18det
"I'd rather lose by a mile because I built my own car, than win by an inch because someone else built it for me"
- fuzz123
- 0.3 Bar Boost
- Posts: 337
- Joined: Fri Sep 07, 2012 9:34 am
- Car: S14
- Engine: SR
- Real Name: Jacobus
- Location: Joburg - Roodepoort
Re: Datsun CA18det
SonOfAnarchy ZA wrote:lol you SR people are funny huh
-
SonOfAnarchy ZA
- Administrator
- Posts: 2512
- Joined: Wed Aug 17, 2011 9:10 pm
- Car: S13
- Real Name: Jason
- Location: JHB
Re: Datsun CA18det
According to my manual its a crank angle sensor
"I'd rather lose by a mile because I built my own car, than win by an inch because someone else built it for me"
- fuzz123
- 0.3 Bar Boost
- Posts: 337
- Joined: Fri Sep 07, 2012 9:34 am
- Car: S14
- Engine: SR
- Real Name: Jacobus
- Location: Joburg - Roodepoort
Re: Datsun CA18det
SonOfAnarchy ZA wrote:According to my manual its a crank angle sensor
Does this not prove my point about CA18's?
-
SonOfAnarchy ZA
- Administrator
- Posts: 2512
- Joined: Wed Aug 17, 2011 9:10 pm
- Car: S13
- Real Name: Jason
- Location: JHB
Re: Datsun CA18det
the designer of the CA clearly was smart and realised that the crank and cams work in direct relation where as the SR designer thought that the cams and crank didnt so he made it different and soma put the CAS on the side of the motor 
"I'd rather lose by a mile because I built my own car, than win by an inch because someone else built it for me"
-
SonOfAnarchy ZA
- Administrator
- Posts: 2512
- Joined: Wed Aug 17, 2011 9:10 pm
- Car: S13
- Real Name: Jason
- Location: JHB
Re: Datsun CA18det
"I'd rather lose by a mile because I built my own car, than win by an inch because someone else built it for me"
