![200SX_200SX [smilie=200sx_200sx.gif]](./images/smilies/200SX_200SX.gif)
Wiring a Dicktator Wasted Spark up to a CA18DET For Dummies
Moderators: P3g4sus, Daniel, rat, Draco, Riekert
-
SonOfAnarchy ZA
- Administrator
- Posts: 2512
- Joined: Wed Aug 17, 2011 9:10 pm
- Car: S13
- Real Name: Jason
- Location: JHB
Wiring a Dicktator Wasted Spark up to a CA18DET For Dummies
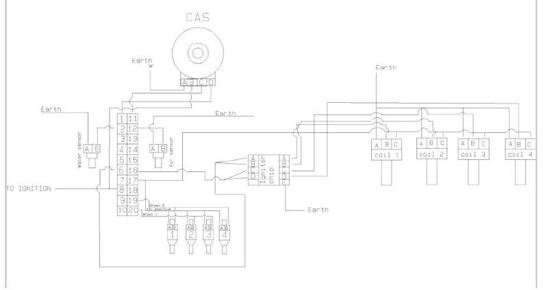
Thanks to Poizen for the diagram. ![200SX_200SX [smilie=200sx_200sx.gif]](./images/smilies/200SX_200SX.gif)
![200SX_200SX [smilie=200sx_200sx.gif]](./images/smilies/200SX_200SX.gif)
"I'd rather lose by a mile because I built my own car, than win by an inch because someone else built it for me"
- poizen
- 200SX Maniac
- Posts: 2994
- Joined: Sat Apr 12, 2008 2:05 pm
- Car: S13
- Engine: SR
- Real Name: Mical Mackay
- Location: Durban, New Germany
Re: Wiring a Dicktator Wasted Spark up to a CA18DET For Dumm
works the same for sr20 only diff is the Cas wiring you just need to swap the wires around iirc but the rest is the same 


''enough rice to feed whole of china''
-
SonOfAnarchy ZA
- Administrator
- Posts: 2512
- Joined: Wed Aug 17, 2011 9:10 pm
- Car: S13
- Real Name: Jason
- Location: JHB
Re: Wiring a Dicktator Wasted Spark up to a CA18DET For Dumm
Ok refurb of the drawing 
Last edited by SonOfAnarchy ZA on Tue May 28, 2013 2:13 pm, edited 2 times in total.
"I'd rather lose by a mile because I built my own car, than win by an inch because someone else built it for me"
- poizen
- 200SX Maniac
- Posts: 2994
- Joined: Sat Apr 12, 2008 2:05 pm
- Car: S13
- Engine: SR
- Real Name: Mical Mackay
- Location: Durban, New Germany
Re: Wiring a Dicktator Wasted Spark up to a CA18DET For Dumm
Nice redraw but coils and injectors must not go to batt or they will be on all the time
injectors amd coils need to be connected to batt via a relay to ignition
injectors amd coils need to be connected to batt via a relay to ignition


''enough rice to feed whole of china''
-
SonOfAnarchy ZA
- Administrator
- Posts: 2512
- Joined: Wed Aug 17, 2011 9:10 pm
- Car: S13
- Real Name: Jason
- Location: JHB
Re: Wiring a Dicktator Wasted Spark up to a CA18DET For Dumm
Corrected...hows that?
"I'd rather lose by a mile because I built my own car, than win by an inch because someone else built it for me"
- poizen
- 200SX Maniac
- Posts: 2994
- Joined: Sat Apr 12, 2008 2:05 pm
- Car: S13
- Engine: SR
- Real Name: Mical Mackay
- Location: Durban, New Germany
Re: Wiring a Dicktator Wasted Spark up to a CA18DET For Dumm
Looks good im on my phone will look properly when I get on laptop


''enough rice to feed whole of china''
-
SonOfAnarchy ZA
- Administrator
- Posts: 2512
- Joined: Wed Aug 17, 2011 9:10 pm
- Car: S13
- Real Name: Jason
- Location: JHB
Re: Wiring a Dicktator Wasted Spark up to a CA18DET For Dumm
kwl thanks let me know what changes need to be made ![200SX_200SX [smilie=200sx_200sx.gif]](./images/smilies/200SX_200SX.gif)
![200SX_200SX [smilie=200sx_200sx.gif]](./images/smilies/200SX_200SX.gif)
"I'd rather lose by a mile because I built my own car, than win by an inch because someone else built it for me"
Re: Wiring a Dicktator Wasted Spark up to a CA18DET For Dumm
Hey guys do you leave the original managment in the car or take it out?
-
SonOfAnarchy ZA
- Administrator
- Posts: 2512
- Joined: Wed Aug 17, 2011 9:10 pm
- Car: S13
- Real Name: Jason
- Location: JHB
Re: Wiring a Dicktator Wasted Spark up to a CA18DET For Dumm
I took mine out completely
Sent from my GT-I9500 using Tapatalk
Sent from my GT-I9500 using Tapatalk
"I'd rather lose by a mile because I built my own car, than win by an inch because someone else built it for me"
Re: Wiring a Dicktator Wasted Spark up to a CA18DET For Dumm
what features do you lose ? SonOfAnarchy ZA thanks for the reply, on the tacho cable on the dicktator where would I connect it up to ? coz surely if I remove my std ecu it will stop the rev counter working?
Re: Wiring a Dicktator Wasted Spark up to a CA18DET For Dumm
Temperature compensationsmash!! wrote:what features do you lose ?
Knock compensation
A/C control (cut-off while accelerating, idle control, etc)
Fault diagnosis for sensors
So, pretty much all the safety features of the stock ECU.
As for the rev counter, I believe you just connect the output from the ECU to a pin on the back of the cluster.
S13 CA18DET, NIStune and...oh wait no that's gone..... 
-
SonOfAnarchy ZA
- Administrator
- Posts: 2512
- Joined: Wed Aug 17, 2011 9:10 pm
- Car: S13
- Real Name: Jason
- Location: JHB
Re: Wiring a Dicktator Wasted Spark up to a CA18DET For Dumm
there is a plug there by the ecu that goes to the dash cluster will upload a pic later for you.
"I'd rather lose by a mile because I built my own car, than win by an inch because someone else built it for me"
-
SonOfAnarchy ZA
- Administrator
- Posts: 2512
- Joined: Wed Aug 17, 2011 9:10 pm
- Car: S13
- Real Name: Jason
- Location: JHB
Re: Wiring a Dicktator Wasted Spark up to a CA18DET For Dumm
thats the plug you use and those 2 wire are the ones you need. one is for the tacho the other is your temp guage can remember which one is for what you will just have to measure which one went to the temp sensor
"I'd rather lose by a mile because I built my own car, than win by an inch because someone else built it for me"
-
SonOfAnarchy ZA
- Administrator
- Posts: 2512
- Joined: Wed Aug 17, 2011 9:10 pm
- Car: S13
- Real Name: Jason
- Location: JHB
Re: Wiring a Dicktator Wasted Spark up to a CA18DET For Dumm
Just FYI dicktator wasted spark does not work with a stock CA18DET CAS(crank angle sensor) the trigger plate needs to be changed
![200SX_200SX [smilie=200sx_200sx.gif]](./images/smilies/200SX_200SX.gif)
![200SX_200SX [smilie=200sx_200sx.gif]](./images/smilies/200SX_200SX.gif)
"I'd rather lose by a mile because I built my own car, than win by an inch because someone else built it for me"
